平成11年度研究報告 VOL.49
生ごみ処理装置開発に関する技術支援
化学食品部 井上智実 中村静夫
加州工業株式会社 伊東敏
石川県農業短期大学 田知本正夫

 資源の有効利用から,リサイクルの必要性を啓蒙する活動が地域社会で活発に行われている。しかし,生ごみをリサイクルする場合,悪臭の除去がリサイクル技術の課題となっている。そこで,悪臭除去を目的に開発した生ごみ処理装置を県内の中学校に設置し,町内の学校で排出された生ごみの処理試験を行った。
 主な試験は,生ごみの処理方法,悪臭の除去,生ごみ処理物の肥料としての評価で,得られた結果は,次の通りである。(1)悪臭は,エアブロアを制御し,脱臭塔内の竹材コンポストの水分蒸発を減少させることにより完全に除去できた。(2)開発した装置は,野菜の芯や果物の外皮など植物繊維質を分解できず,微粉砕する必要があった。(3)生ごみ処理物の堆肥化は,腐熟化を継続することによって可能になった。
キーワード:生ごみ処理,リサイクル,脱臭,堆肥化

Technical Support for the Development of a Garbage Disposal Apparatus

Tomomi INOUE, Shizuo NAKAMURA, Satoshi ITO and Masao TACHIMOTO

 Continuing enlightment about the necessity for recycling is required to achieve effective utilisation of the resource in a community.Satisfactory elimination of unpleasant odore is a problem for recycling techniques. A garbage disposal apparatus, designed for the elimination of unpleasant odors emanating from discharged garbage, was installed at a junior high school in Ishikawa, and subsequently tested. The principal tests conducted were: physical condition of disposable garbage after treatment, degree of success for the elimination of noxious odors, and evaluation of the suitability of disposable material for compost.
 The results were as follows: (1)unpleasant odors were completely eliminated utilising regulated air aspiration through the bamboo compost to decrease moisture evaporation, (2) fibrous material, such as vegetable cores and fruit peel, did not decompose readily and required crushing, (3) successuful manufacture of compost from disposable garbage could be achieved by condudting farther maturation.
Key Words:disposal of garbage, recycle,deodorant, compost


1.緒  言
 今日の私たちの大量生産・大量消費・大量廃棄型の社会経済活動やライフスタイルは,多量な資源を必要とするとともに,環境に大きな負荷を与えている。
 現在,我が国のごみの総排出量は年々増加しており,ごみの最終処分場が不足している。ごみを再利用し資源循環型のリサイクル社会を構築することが急務の課題となっている。このことは,私たちの身の回りから排出される一般廃棄物でも同様であり,その総排出量は,年間5000万トン以上といわれている。その内で生ごみの割合は約3分の1と大きく,地域での有効利用が望まれている1)。生ごみ処理は悪臭発生の観点から生活環境を汚染しており,臭気発生を防止する技術の開発が活発である。その方法は,水シャワー法,オゾン脱臭法,活性炭等による吸着脱臭法などが提案されている。
 本装置は,生ごみ処理時に発生する悪臭の脱臭,生ごみの減容化処理,および,生ごみ処理物(菌床,有機物残渣,無機物)の取り出しサイクルをのばすことを目的とした。
 なお,本報告では,生ごみの処理方法,悪臭の除去方法,ならびに,生ごみ処理物の肥料としての評価を通し,開発した処理装置の有効性を実証試験した。


2.実験方法
2.1 生ごみ処理装置の実証試験
 平成11年7月から6カ月間,押水中学校に生ごみ処理装置を設置し,押水町内4小中学校および2町立保育園から排出された生ごみを処理した。

2.1.1 生ごみ処理システムの仕様

 
図1 生ごみ処理装置本体
 
図2 脱臭塔
 
図3 生ごみ処理装置概略図
 生ごみ処理時に発生する臭気除去を目的とした装置を共同研究先である加州工業鰍ェ設計・製作した。処理装置の仕様について以下に述べる。本体の寸法は2200mm(W)×1760mm(D)×1500mm(H)(図1),脱臭塔の寸法はφ600mm(D)×1600mm(H)(図2)とした。タンク容量は1200L,菌床量は600Lとし,生ごみの発酵には自然発生菌を使用した。生ごみの撹拌方法は縦軸回転とし,温度制御には電気ヒータを用いた。脱臭・水分除去はブロア(2000L/分)による大気放出および結露式ドレン排出とした。処理システムから放出される臭気は,脱臭塔を通して外気に放出した。なお処理装置の概略図を図3に示す。

2.1.2 微生物吸着資材の撮影
 微生物吸着資材の断面は,イオンスパッタエッチング装置(鞄立製作所 E-1030型)で表面を金コーティングした後,簡易走査電子顕微鏡(潟Gービーティ ABT-32)で観察した。

2.1.3 生ごみ処理条件
 生ごみは水分を切ったのち処理装置へ投入した。生ごみ処理装置のタンク設定温度は45℃とし,撹拌時間は1時間毎に8分間行った。酸素は常時外気導入により供給した。

2.1.4 脱臭材の選定方法
 脱臭効果は,脱臭材と脱臭塔のドレインから排出された排水とを混合・撹拌し比較した。なお,脱臭材は杉の樹皮,ブナチップ,クヌギチップ,ヒバチップ,竹材コンポストを用いた。

2.1.5 脱臭効果の評価方法
 悪臭にはアンモニア,硫化水素,メチルメルカプタンなど,多種類の臭気成分が混在している。したがって,特定成分による比較は適切でないため,ここでは特定人物の嗅覚による判断で行った。

2.2 肥料としての有効性試験
 前項では生ごみ処理の実証化試験を行った。本項では実証化試験の成果物である生ごみ処理物の性状変化を測定し,肥料としての有効性を検討した。

2.2.1 生ごみ処理条件
 生ごみ投入量は1日平均50kgとした。ブナチップを水分調整副資材に用い,20日間処理した処理物を一次発酵物Aとした。また,コンポスト・クヌギ粉混合物を水分調整副資材に用い,45日間処理した処理物を一次発酵物Bとした。
 処理装置は,縦軸回転とし8分運転60分休止とした。加熱はヒータを用い45℃に設定した。通気は1000L/分のブロアで連続吸引した。

2.2.2 試験方法
 生ごみおよび一次発酵物は,水分,灰分,有機物,C/Nおよび無機養分を測定した。
 有機態窒素無機化試験は,畑土壌風乾土(灰色低地土)20gに風乾試料を窒素として10mg添加し,畑状態(最大容水量の50%),25℃で培養した後,一定期間ごとに2N KClで抽出し,水蒸気蒸留法で無機態窒素を測定した。
 積算発熱量試験(サーモグラム)は,乾燥試料を微粉砕し,200mgを畑土壌風乾土(灰色低地土)10gに混合し(2%添加),最大容水量の50%,25℃で約6日間,温度変化を測定した。



3.結果と考察
3.1 生ごみ処理システムの実証試験
3.1.1 微生物吸着資材
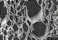
図4 クヌギ古材チップ   図5 ブナ材チップ
 微生物吸着資材の構造は微生物を保持するとともに,生ごみ処理物の水分調整をするために重要な役割を果たす。クヌギ古材チップ(図4)およびブナ材チップ(図5)の断面写真を撮った結果,クヌギ古材チップは,ブナ材チップに比べ,表面が繊維化されており微生物の保持に適していることが分かった。

3.1.2 生ごみの処理状況
 生ごみの投入量,内容物,投入6時間後の温度,水分率,pHおよび投入24時間後の残存物を表1に示す。
 その結果,残存物は,野菜芯などの繊維質と果物の外皮が多く含まれていた。また,柑橘系果物の皮が大量に投入されるとpHは2〜3低下し,臭気は酸性臭が増大した。なお,試験を2カ月間継続した結果,粘性物質の増加により水分調整材が固化し,処理装置の撹拌機能が低下した。
 以上のことより,生ごみを効率よく分解するためには,繊維質をあらかじめ破砕することが必要であった。また,酸性臭を低減するためには,水分調整資材にアルカリ資材を混合することが必要であった。ここでは,アルカリ資材として米糠を使用することにより酸性臭を低減することができた。

表1 生ごみ処理状況
日数 投入量(kg) 生ごみの内容 温度(℃) 水分(%) pH 残存物
10
11
12
13
14
15
16
17
18
19
20
22
26
28
20
26
42
38
61
35
残飯、野菜、オレンジ皮、他
残飯、野菜、卵殻、他
残飯、野菜、オレンジ皮、他
残飯、野菜、和え物、他
残飯、野菜、バナナ皮、他
残飯、野菜、卵殻、他
残飯、野菜、オレンジ皮、他
残飯、野菜、バナナ皮、他
残飯、野菜、和え物、他
55
60
56
57
58
47
45
60
56
60
60
46
45
45
45
45
45
45
45
45
50
50
65
65
65
60
50
65
70
70
65
55
50
50
50
50
50
45
45
45
人参芯、オレンジ皮
人参芯、キャベツ芯
胡瓜蔕、オレンジ皮
キャベツ芯
バナナ皮、玉葱皮
果物皮、野菜芯
果物皮、野菜芯
キャベツ芯
人参芯、オレンジ皮
キャベツ芯、バナナ皮
玉葱皮
果物皮、野菜芯
果物皮、野菜芯
果物・野菜繊維質
果物・野菜繊維質
果物・野菜繊維質
野菜繊維質
野菜繊維質少々
ほとんどなし
ほとんどなし

3.1.3 生ごみ処理環境の経時変化
図6 生ごみ投入後の温度変化
 
図7 生ごみ投入後の水分率変化
 
図8 生ごみ投入後の臭気変化
 生ごみ投入後の温度変化を図6に示す。その結果,温度は生ごみ投入直後に40℃まで低下した後,6〜7時間後に65℃まで達した。その後,徐々に低下し設定温度の45℃に到達した。また,処理装置内の水分と臭気も温度変化と同様な経過を示した(図7,図8)。なお,臭気は初期の強さを5としてその相対値で示した。
 これらの結果は,温度,水分率,臭気が,それぞれ連動していることを示唆した。すなわち,生ごみ投入後,微生物が活性化することにより温度が上昇し,生ごみより水分が放出され,それにともない処理物が嫌気性になり臭気を増大させたと推測された。

3.1.4 臭気の脱臭について
 杉の樹皮,ブナチップ,クヌギチップ,ヒバチップ,竹材コンポストを用い脱臭効果を比較した。その結果,竹材コンポストは臭気を完全に除去した。しかし,竹材コンポスト以外はほとんど脱臭効果が認められなかった。以上の結果より,脱臭材は竹材コンポストを使用した。
 脱臭槽に竹材コンポストを入れ,生ごみ処理装置からの臭気を通過させたところ,竹材コンポストが乾燥し,悪臭を除去できなかった。そこで,脱臭塔の乾燥を防ぐため,処理装置本体の排気方式を押し出し放出方式から引き込み放出方式に変更することにより,処理装置からの水分流入量を増大させた。その結果,竹材コンポストは適度に水分を保持し,悪臭を完全に除去した。

3.2 肥料としての有効性試験
表2 生ごみおよび一次発酵物の構成成分
成分名 生ごみ 1次発酵物A 1次発酵物B
水分(%)
灰分(%)
有機物(%)
C(%)
N(%)
C/N
79.3
10.9
89.1
44.0
1.96
22.4
61.5
32.4
67.6
37.3
1.53
24.4
47.5
11.7
88.3
48.4
5.28
9.2
3.2.1 生ごみおよび一次発酵物の構成成分
 生ごみおよび一次発酵物の分析結果を表2に示す。この結果より,一次発酵物Aは生ごみに比べ灰分の割合が高く,有機物の割合が低かった。これは,水分調整副資材の木質成分が多いことによるものと思われた。また,一次発酵物Bは生ごみに比べ窒素含有率が高く,C/N比が低くなった。

表3 生ごみ及び一次発酵物の無機成分
成分名 生ごみ 1次発酵物A 1次発酵物B
P2O5(%)
K2O(%)
CaO(%)
MgO(%)
Zn(mg/kg)
Cu(mg/kg)
0.5
0.36
0.62
0.16
4.7
2.6
1.42
0.77
2.01
0.47
12.3
6.8
1.19
0.47
0.22
0.15
2.3
1.3
3.2.2 生ごみおよび一次発酵物中の無機成分
 生ごみおよび一次発酵物中の無機成分分析結果を表3に示した。生ごみおよび一次発酵物は,リン,カリウムを豊富に含んでいた。また,カルシウム,マグネシウムも適度に含んでおり,亜鉛,銅の含有量が微量であることから,一次発酵物は,肥料の原料として適していると考えられる。


図9 有機態窒素の無機化パターン
3.2.3 有機態窒素の無機化パターン
 有機態窒素の無機化パターンを図9に示す。この結果より,生ごみおよび一次発酵物Aを添加した土壌中では窒素が有機化し,窒素飢餓が生じた。一次発酵物Bでは,分解初期を除いて窒素の無機化が順調に推移した。

図10 積算発熱量
3.2.4 積算発熱量
 積算発熱量試験結果を図10に示す。この結果より,生ごみと一次発酵物Bの発熱量には大差なく,易分解性有機物の存在が示唆された。一方,一次発酵物Aでは安定有機物の存在が示唆されたが,窒素の有機化が進んでいることから,腐熟化よりもむしろ副資材に含まれる木材などの難分解性有機物の存在が考えられる。

4.結  言
 本実証化試験により得られた結果を以下にまとめる。
1)開発した装置は,野菜の芯や果物の外皮など植物繊維質を十分に分解できず,微粉砕する必要があった。
2)悪臭は,エアブロアを制御し,脱臭塔内の竹材コンポストの水分蒸発を減少させることにより完全に除去できた。
3)生ごみおよび一次発酵物の成分は,無機養分を多く含んでおり,肥料の原料として適していた。
4)生ごみ処理物の堆肥化は,腐熟化を継続することにより可能であった。



謝  辞
 本研究を遂行するのに当たり,ご協力を頂いた押水中学校の教職員の方々,また,町内の学校給食調理関係者の方々,押水町役場住民課,教育課の担当職員の方々に感謝します。


参考文献
1) 生ごみ・有機性廃棄物のリサイクル市場と動向,NIS,付録-12(1995)



* トップページ
* 研究報告もくじ
 
* 次のページ